网站首页
关于我们
产品中心
新闻资讯
公司实力
联系我们
应用案例
欢迎进入上海舒佳电气有限公司|测流仪网站
关于我们
联系我们
全国服务热线
021-54358329
首页
关于我们
产品中心
新闻资讯
公司实力
联系我们
应用案例
01接线柱
01接线柱
01接线柱
02测试导线
03接插件
04插片
05鳄鱼夹
06测试导线包
07电力测试钳
08大电流线|
产品推荐
JXZ-W200A接线柱
JXZ-W/50A接线柱
JXZ-W/2接线柱
JXZ-200A接线柱
相关资讯
百斯特电子获《南方工报》大篇幅报
轻触开关里头的弹片
2013年度优秀员工巴厘岛之行
百斯特电子引领电子元器件行业,产品
百斯特电子做精良产品,创优质品牌
“关爱职工,感恩家属”百斯特优秀
联系我们
地址:上海市龙吴路1500号
联系电话:021-54358329
传真:021-54011883
Q Q:289109264
01接线柱
主页
>
产品中心
>
18测试器材
>
01接线柱
>
JXZ-W200A接线柱
产品简介
JXZ-W200A接线柱
订购热线:021-54358329
在线咨询
产品介绍
可以用旺旺跟我联系
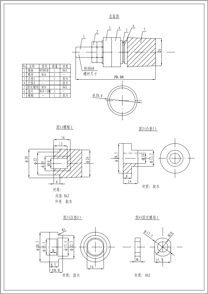
JXZ-W200A接线柱
总长:76.5mm
旋帽总高27mm,最顶部直径26mm旋帽最大直径28mm,旋帽下端直径22mm高6mm.内部配直径10mm螺母(深度13mm)
中间绝缘部分:上端高度12.5mm, 外部直径28.5mm,嵌入直径17.5*5mm椭圆螺母,中间是直径15.5mm的安装孔.下端高度14mm,外部直径28.5mm, 嵌在上端绝缘体直径为15.5mm(开孔直径)*高8mm。
铜螺杆长度60mm*10mm,六角螺母10mm*2只,平垫片10mm*3只
联系我们
上海舒佳电气有限公司|测流仪
全国服务电话:021-54358329
传真:021-54011883
Q Q:289109264
公司地址:上海市龙吴路1500号
我要订购
*
联系人
*
联系电话
电子邮件
QQ
*
产品名称
*
采购意向
温馨提示:
请填写采购的产品数量和产品描述,方便我们进行统一备货。
咨询热线:021-54358329
关于我们
产品中心
新闻资讯
公司实力
联系我们
应用案例
Copyright © 上海舒佳电气有限公司|测流仪
沪ICP备10206185号-45
公司地址:上海市龙吴路1500号 全国服务电话:021-54358329 野豹官网
客服
在线客服
分享
微 信
新浪微博
QQ空间
QQ好友
腾讯微博
百度贴吧
电话
服务电话:
021-54358329
微信
微信公众号